欢迎来到内田液压工业官方销售中心!
服务热线:136-9218-9994

联系我们

内田液压工业官方销售中心

手机:136-9218-9994

电话:0755-27120370

传真:0755-23248086

邮箱:1410876570@qq.com

QQ :1410876570

地址:深圳市宝安区福永镇凤凰工业区第3栋

产品详情

当前位置:首页 > 柱塞泵

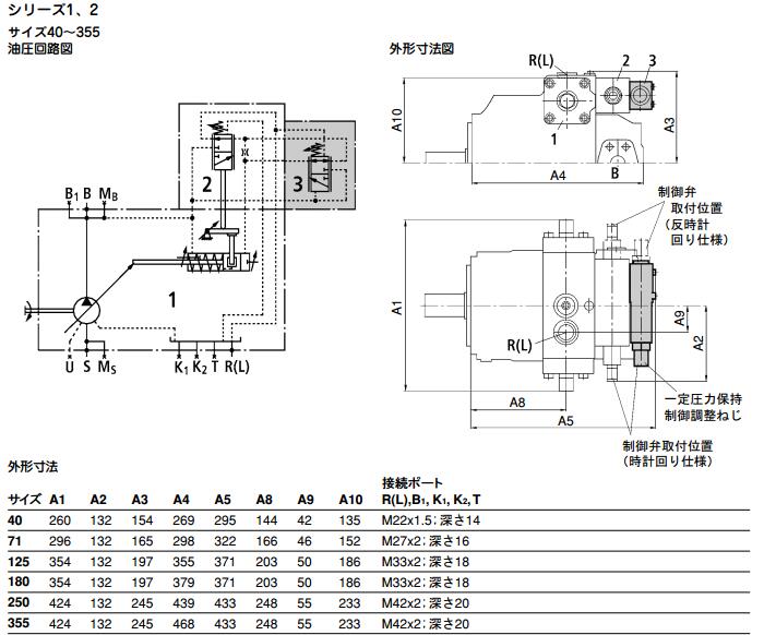
系列1、2、3可变泵A4 VSO,A4 VSH,A4 VSG

正品保障
一年质保
24小时内发货
交货及时
增值税票
货到付全款
服务热线
136-9218-9994
微信二维码